This page describes how to make smartstrap hardware and how to interface it with the watch.
The smartstrap connector has four contacts: two for ground, one for power and a one-wire serial bus. The power pin is bi-directional and can be used to power the accessory, or for the strap to charge the watch. The amount of power that can be drawn must not exceed 20mA, and will of course impact the battery life of Pebble Time.
Download 3D models of Pebble Time and the DIY Smartstrap
Note: Due to movement of the user the contacts of the DIY Smartstrap may come undone from time to time. This should be taken into account when designing around the accessory and its protocol.
The table below summarizes the characteristics of the accessory port connection on the back of Pebble Time.
| Characteristic | Value |
|---|---|
| Pin layout (watch face down, left to right) | Ground, data, power in/out, ground. |
| Type of data connection | Single wire, open drain serial connection with external pull-up required. |
| Data voltage level | 1.8V input logic level with tolerance for up to 5V. |
| Baud rate | Configurable between 9600 and 460800 bps. |
| Output voltage (power pin) | 3.3V (+/- 10%) |
| Maximum output current draw (power pin) | 20mA |
| Minimum charging voltage (power pin) | 5V (+/- 5%) |
| Maximum charging current draw | 500mA |
If a smartstrap is designed to charge a Pebble smartwatch, simply apply +5V to the power pin and make sure that it can provide up to 500mA of current. This is the maximum power draw of Pebble Time when the screen is on, the battery charging, the radios are on, etc.
If the accessory is drawing power from the watch it will need to include a pull-up resistor (10kΩ is recommended) so that the watch can detect that a smartstrap is connected.
By default, the smartstrap port is turned off. The app will need to turn on the
smartstrap port to actually receive power. Refer to smartstrap_subscribe().
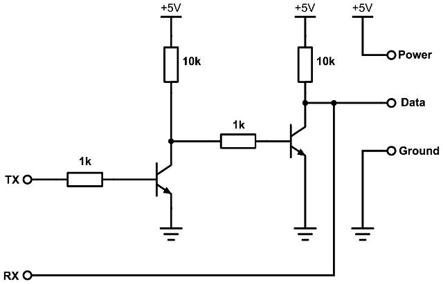
The simplest interface to the smartstrap connector is just a pull-up resistor between the power and the data pin of the watch. This pull-up is required so that the watch can detect that something is connected. By default the data bus will be at +3.3V and the watch or the smartstrap can force the bus to 0V when sending data.
This is the general principle of an open-drain or open-collector bus. Refer to an electronic reference for more information.

On the smartstrap side, choose to use one or two pins of the chosen micro-controller:
If using only one pin, the smartstrap will most likely have to implement the serial communication in software because most micro-controllers expect separated TX and RX pins. This is demonstrated in the ArduinoPebbleSerial project when running in 'software serial' mode.
If using two pins, simply connect the data line to both the TX and RX pins. The designer should make sure that the TX pin is in high-impedance mode when not talking on the bus and that the serial receiver is not active when sending (otherwise it will receive everything sent). This is demonstrated in the ArduinoPebbleSerial project when running in the 'hardware serial' mode.
When connecting the smartstrap to a micro-controller where the above options are not possible then a little bit of hardware can be used to separate the TX and RX signals and emulate a standard serial connection.

Finally, for production ready smartstraps it is recommended to use a more robust setup that will provide voltage level conversion as well as protect the smartstraps port from over-voltage.
The diagram below shows a suggested circuit for interfacing the smartstrap connector (right) to a traditional two-wire serial connection (left) using a SN74LVC1G07 voltage level converter as an interface with Zener diodes for ESD protection.

Two possible approaches are suggested below, but there are many more potential ways to create smartstrap connectors. The easiest way involves modifying a Pebble Time charging cable, which provides a solid magnetized connection at the cost of wearability. By contrast, 3D printing a connector is a more comfortable approach, but requires a high-precision 3D printer and additional construction materials.
The first suggested method to create a smartstrap connector for prototyping hardware is to adapt a Pebble Time charging cable using common hardware hacking tools, such as a knife, soldering iron and jumper cables. The end result is a component that snaps securely to the back of Pebble Time, and connects securely to common male-to-female prototyping wires, such as those sold with Arduino kits.
First, cut off the remainder of the cable below the end containing the magnets. Next, use a saw or drill to split the malleable outer casing.

Pull the inner clear plastic part of the cable out of the outer casing, severing the wires.

Use the flat blade of a screwdriver to separate the clear plastic from the front plate containing the magnets and pogo pins.

Using a soldering iron, remove the flex wire attached to the inner pogo pins. Ensure that there is no common electrical connection between any two contacts. In its original state, the two inner pins are connected, and must be separated.
Next, connect a row of three headers to the two middle pins, and one of the magnets.
Note: Each contact may require tinning in order to make a solid electrical connection.

The newly created connector can now be securely attached to the back of Pebble Time.

With the connector in place, the accessory port pins may be easily interfaced with using male-to-female wires.

An alternate method of creating a compatible connector is to 3D print a connector component and add the electrical connectivity using some additional components listed below. To make a 3D printed smartstrap connector the following components will be required:

1x Silicone strap or similar, trimmed to size (See Construction).
1x Quick-release style pin or similar (Amazon listing).
1x 3D printed adapter (STP file).
4x Spring loaded pogo pins (Mill-Max listing).
4x Lengths of no.24 AWG copper wire.
For the 3D printed adapter, it is highly recommended that the part is created using a relatively high resolution 3D printer (100-200 microns), such as a Form 1 printer. Alternatively there are plenty of websites that 3D print parts, such as Shapeways. Make sure to use a non-conductive material such as ABS, and print a few copies, just to be safe.
(A lower resolution printer like a Makerbot may not produce the same results. The 3D part depends on many fine details to work properly).
For the strap, it is recommend to use a silicone strap (such as the one included with Pebble Time or a white Pebble Classic), and cut it down. Put the strap along the left and right side of the lug holes, as shown below.
Ensure the strap is cut after receiving the 3D printed part so that it can be used as a reference.

Slide the quick-release pin into the customized silicone strap.

Slide the strap and pin into the 3D printed adapter.

Insert the copper wire pieces into the back of the 3D printed adapter.

Place the pogo pins into their respective holes, then slide them into place away from the strap.
